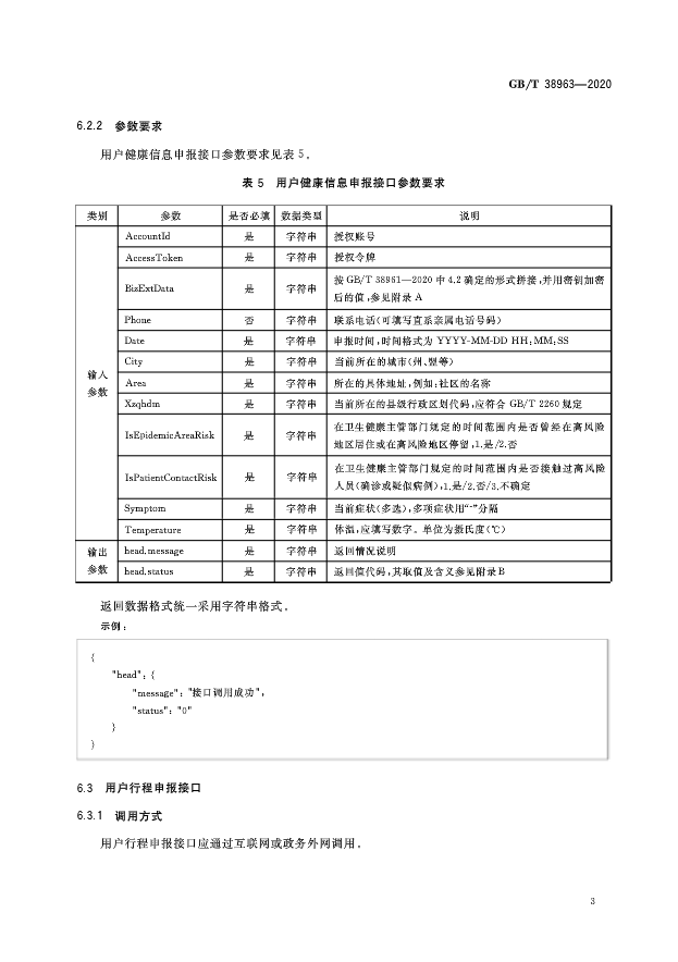
$E8V8DKUDPW`8{SP9~%]0QB.png


5U]RNHAUZ9L)K[937DNMYOE.png


84E47EYRYWHVEG@_N$EGONS.png


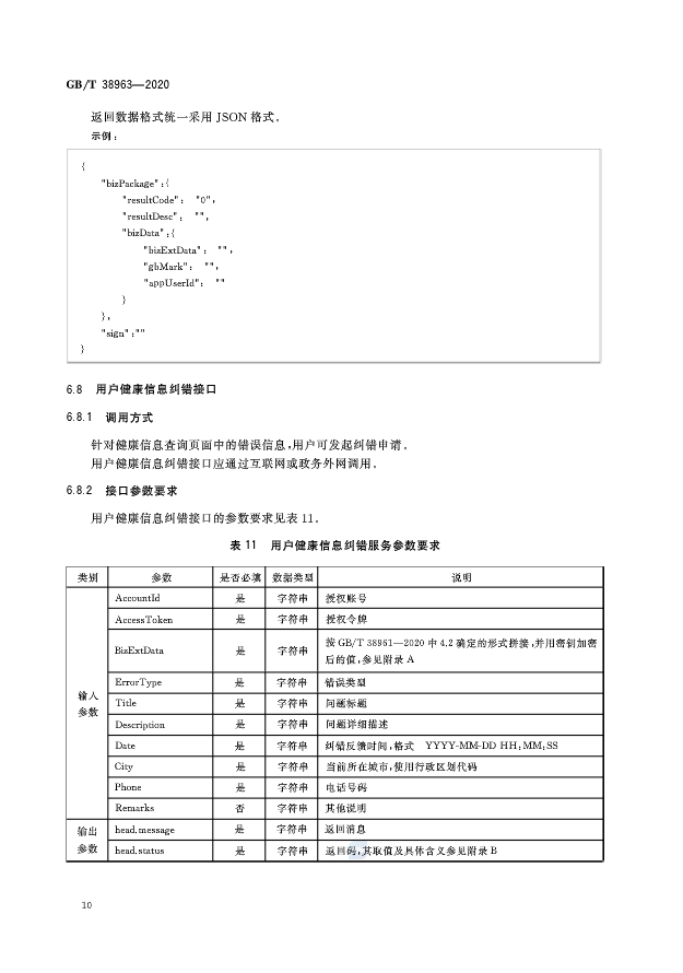
3UL}9@HVVURJXY_%0NM7RFM.png


BQ]J3JHKLM[JUPRB%0E6)_W.png


M1FV5G$VTMVN`P_%GJPMN1P.png


PDUF68T{0}NOL6BT1KJWSZU.png


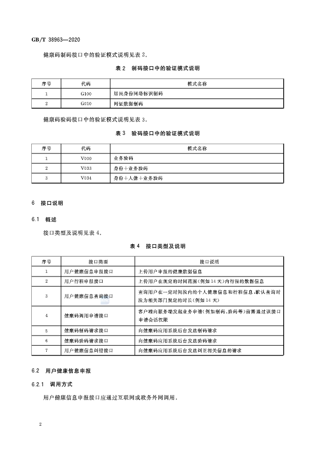
}YX3BW]@SVN7[ONH4%GFKZ5.png


ZKU1MZ`POV9PSRSD7W[N_40.png


KUGL3@1(J0KUT}MCFSE2}Q4.png


]I67XUT77%4}VV74}XW`0U2.png


HM928PPUGVFNN%H}P]_DQAA.png


K6CZC9(L%DPPCB9RNNDO82K.png


@IZ9UV6FLVYGT0KEE6@Q7@M.png


83XWW$O{[@6GBG~8UX1ATAE.png


SW1O}NM77(YHW[WY)6E@}95.png


5$WFE4[{FK5A14[_A2Z3R{4.png


MIQ0O$D`({H7_G@_31H9O%Q.png


5PJV%DC1L4(7U6`M736}9$H.png


)SS@(VK9Y5(7TXX7F(DPHDL.png